Single Girder Overhead Crane
Guanhui Single Girder Overhead Cranes
At Guanhui, our Single Girder Overhead Cranes are designed to deliver exceptional lifting performance, enhanced safety, and reduced maintenance costs. Ideal for industries requiring efficient material handling, these cranes integrate advanced features to maximize productivity while minimizing operational challenges.
Interested in this product? Contact us now to request a personalized offer!
- Enhanced Safety Mechanisms: Extra hoist brake safety and overload protection for secure operations.
- Fail-Safe Hoist Drum: Designed to maintain safety under demanding conditions.
- Compact Low Headroom Design: Offers a higher top hook position in restricted spaces.
- Variable Speed Control: Smooth travel and traverse for precise positioning.
- Durable Construction: No external hoist or trolley gears, ensuring reduced wear and extended service life.
Designed for Efficiency
Guanhui cranes integrate an optimized crane structure with a highly efficient lifting mechanism. This design minimizes hook approaches while maximizing the usable workspace,
enabling seamless performance in lifting, cross travel, and long travel operations.
Why Choose Guanhui?
- Customized Solutions: Tailored designs to meet specific operational needs, from 500 kg to 20 tons.
- Global Expertise: Trusted by crane builders and industries worldwide for innovative and reliable solutions.
- Lower Lifetime Costs: Inspection-friendly features that simplify maintenance and reduce downtime.
Guanhui Single Girder Overhead Cranes are the perfect choice for safe, efficient, and cost-effective material handling.
Contact us today to learn how we can help enhance your operations.

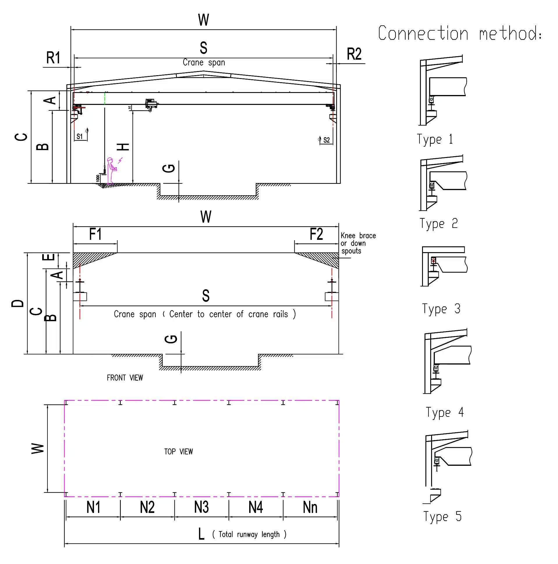
Design Illustration of Guanhui Single Girder Overhead Cranes
